~蛙が跳ぶ程度の更新速度~
×
[PR]上記の広告は3ヶ月以上新規記事投稿のないブログに表示されています。新しい記事を書く事で広告が消えます。
フローティングインシュレーターを低価格で簡単につくれないかと思って
実は構造的なものじゃなく、加工の難しさのために少し面倒なので、図面一つを4つつくってもらう形になる。
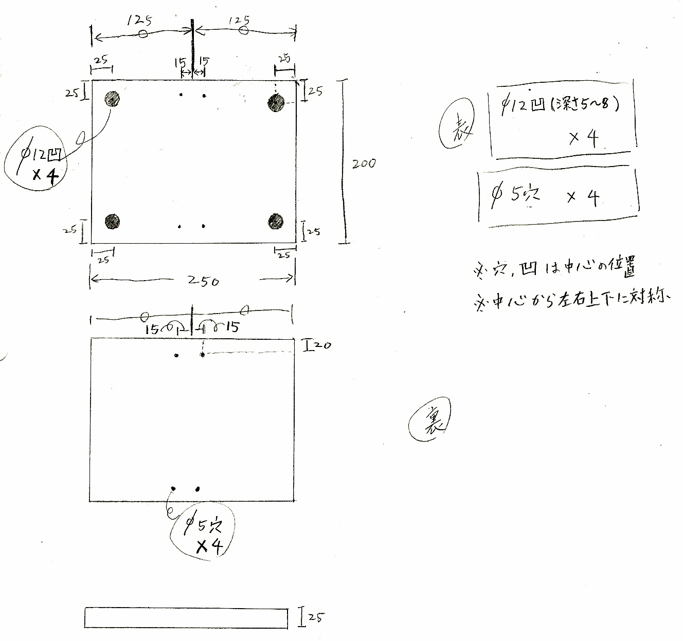
サイズは200×250の推奨3キロ~4キロのフローティングに。
図面は

これを4つ。注釈として4つの穴、凹の位置をそろえてもらうようにお願いすると良い。
今回はストーリオに注文した。結構時間がかかるので余裕をもって注文しよう。大体3週間ほどかかると思っておくとちょうどよい。
これに加えて磁石だが、
今回は26製作所にて直径12の吸着力5キロ近いものを使用している。
木材が7k、磁石が6k、リベットが400円、合計が大体13kほど。
製品版で買うとそれだけで10万とかとんでいくのでこれでも抑えられてると思う。
湿気対策ができないため、パイン集成材を用いてつくったが、もっと安くしたければ 気持ち程度だが、MDFでよい。
MDFのほうが音はいいといわれるので、見た目が大丈夫ならMDFでやっていいと思う。ただ、加工しないと水分を吸い込んで形がいびつになるので手間がかかる。
ちなみに蛙の家のSP下のインシュ環境は大体合計で3万ほどかかっている。
SPが市場では2万しないことを考えるとちょっとオーバーか。
ひとまずこれでSP周りの環境改善シリーズを終わります。
次回からの企画はまだ考えてませんが、イヤホンとか作りたいなと思ってます。
企画段階でしっかり考察踏まえてからやると思うのでいつになるやら。。。。
とりあえず、テスト勉強です。いってきま。。。rz
実は構造的なものじゃなく、加工の難しさのために少し面倒なので、図面一つを4つつくってもらう形になる。
サイズは200×250の推奨3キロ~4キロのフローティングに。
図面は
これを4つ。注釈として4つの穴、凹の位置をそろえてもらうようにお願いすると良い。
今回はストーリオに注文した。結構時間がかかるので余裕をもって注文しよう。大体3週間ほどかかると思っておくとちょうどよい。
これに加えて磁石だが、
今回は26製作所にて直径12の吸着力5キロ近いものを使用している。
木材が7k、磁石が6k、リベットが400円、合計が大体13kほど。
製品版で買うとそれだけで10万とかとんでいくのでこれでも抑えられてると思う。
湿気対策ができないため、パイン集成材を用いてつくったが、もっと安くしたければ 気持ち程度だが、MDFでよい。
MDFのほうが音はいいといわれるので、見た目が大丈夫ならMDFでやっていいと思う。ただ、加工しないと水分を吸い込んで形がいびつになるので手間がかかる。
ちなみに蛙の家のSP下のインシュ環境は大体合計で3万ほどかかっている。
SPが市場では2万しないことを考えるとちょっとオーバーか。
ひとまずこれでSP周りの環境改善シリーズを終わります。
次回からの企画はまだ考えてませんが、イヤホンとか作りたいなと思ってます。
企画段階でしっかり考察踏まえてからやると思うのでいつになるやら。。。。
とりあえず、テスト勉強です。いってきま。。。rz
PR
次回の買い物は主にミキサーです。
小さいに越したことはないが、音質を考えるといいなと思ったら4万はする。
AI/Oがあれば非常に便利だが、そこだけにお金を使うなら別に他のところに回せばいいだけの状態にきているので、実質的にはミキサー機能がしっかりしていて、マイクプリがついていれば幸せといった程度である。
今来月に持ち越そうと思っているのは2,3万ほどなので来月余裕が3万ほど欲しいが、できるかといったところ。
ニコ生ごときに金掛けすぎだろと思われるかも知れないが、ニコ生だけじゃなく、普通に放送も再開したいなと思っているので、設備投資が必要なのだ。
実は音を吸ってくれるものを頼みたいが、後回しになっている。
欲しいものがありすぎて困るが、今のところ、部屋で最高の音楽が出来る環境を構築するのが目標なので、それを踏まえるとあと10万もあればそろえられるんじゃないかという目安ではある。
で、ミキサーを4、5万程度で考えていると。
環境に関してはそれでひと段落つくと思うが、オーディオは終わりがない。どうなるやら。
今考えてるミキサーはFXつきなので放送に関してはだいぶ楽に作業できるかと。
何より確認作業を手元で出来るのはうれしい。
候補を24日までに挙げていこうと思いますが。
回線はつながってくれるのかな?かな?
まぁ 今のところアレン&ヒースが有力だけど。
どうなるか。
小さいに越したことはないが、音質を考えるといいなと思ったら4万はする。
AI/Oがあれば非常に便利だが、そこだけにお金を使うなら別に他のところに回せばいいだけの状態にきているので、実質的にはミキサー機能がしっかりしていて、マイクプリがついていれば幸せといった程度である。
今来月に持ち越そうと思っているのは2,3万ほどなので来月余裕が3万ほど欲しいが、できるかといったところ。
ニコ生ごときに金掛けすぎだろと思われるかも知れないが、ニコ生だけじゃなく、普通に放送も再開したいなと思っているので、設備投資が必要なのだ。
実は音を吸ってくれるものを頼みたいが、後回しになっている。
欲しいものがありすぎて困るが、今のところ、部屋で最高の音楽が出来る環境を構築するのが目標なので、それを踏まえるとあと10万もあればそろえられるんじゃないかという目安ではある。
で、ミキサーを4、5万程度で考えていると。
環境に関してはそれでひと段落つくと思うが、オーディオは終わりがない。どうなるやら。
今考えてるミキサーはFXつきなので放送に関してはだいぶ楽に作業できるかと。
何より確認作業を手元で出来るのはうれしい。
候補を24日までに挙げていこうと思いますが。
回線はつながってくれるのかな?かな?
まぁ 今のところアレン&ヒースが有力だけど。
どうなるか。
ニコン COOLPIX P100
http://kakaku.com/item/K0000092786/
オオハシ 卓上マイクスタンド
http://www.soundhouse.co.jp/shop/ProductDetail.asp?Item=555%5EMA200BN%5E%5E
EV BLUE CARDINAL
http://www.soundhouse.co.jp/shop/ProductDetail.asp?Item=326%5EBLUECARDINAL%5E%5E
トルマリン
http://www.mukai.gr.jp/audio_ion.htm
ZED-12FX
http://item.rakuten.co.jp/gakkiwatanabe/10007438/
これらに加えて本棚や広い机も必要なんだが、いろいろとねぇ。
お金がいろいろと足りません。
DAPとかもあれだしね。
お金がないなぁ。。。。仕方ないね。
機材も欲しいんだけど、集めだすとスペースとかがね。
VSTで全部いけたらいいなぁ。。。どうしよう。。。
http://kakaku.com/item/K0000092786/
オオハシ 卓上マイクスタンド
http://www.soundhouse.co.jp/shop/ProductDetail.asp?Item=555%5EMA200BN%5E%5E
EV BLUE CARDINAL
http://www.soundhouse.co.jp/shop/ProductDetail.asp?Item=326%5EBLUECARDINAL%5E%5E
トルマリン
http://www.mukai.gr.jp/audio_ion.htm
ZED-12FX
http://item.rakuten.co.jp/gakkiwatanabe/10007438/
これらに加えて本棚や広い机も必要なんだが、いろいろとねぇ。
お金がいろいろと足りません。
DAPとかもあれだしね。
お金がないなぁ。。。。仕方ないね。
機材も欲しいんだけど、集めだすとスペースとかがね。
VSTで全部いけたらいいなぁ。。。どうしよう。。。
[VOON] merygoround
久々にまじめに録音したが、4月は花粉が増えて鼻声確定な時期です。
ほんと聴いてて辛そうに歌ってんなぁ。。。でも本人はまったく持って感じてないんだよなぁ。。。
誰か鼻声を普通の声に近づけるイコライザ設定教えてください。
まぁ 今の俺はこの程度ですよ。。。 歌い手さんの歌聞くと凹むわー。。。。
俺の声は基本的にずっと鼻声なのでどうにかして花粉の多い時期も鼻声を脱却できるのかと試行錯誤していますが。。。
ハウスダスト持ちには年中地獄です。花粉症もあるから年中ほんとに鼻がとまらないっていう。
そうね。仕方ないね。
明日説明会で明後日授業開始。正味明日からってことだけど。。。
やる気が。。。。おこってくれ。。。。
がんばるしかないなぁ。。。